cctv ip camera ups for cctv

Panasonic IP Camera CCTV
 

ประเภทกล้องวงจรปิด

       Panasosonic cctv  กล้องวงจรปิดมาตราฐาน
    
       กล้องวงจรปิด Panasonic CCTV  กล้องวงจรปิดแบบโดม

       กล้องวงจรปิด Panasonic CCTV  กล้องวงจรปิดขนาดเล็ก

       กล้องวงจรปิด Panasonic CCTV  กล้องวงจรปิดสปีดโดม PTZ

       กล้องวงจรปิด Panasonic CCTV  IR Illuminator อินฟาเรด

       กล้องวงจรปิด Panasonic CCTV  Non-Pc Base DVR

       กล้องวงจรปิด Panasonic CCTV  PC Based DVR

       กล้องวงจรปิด Panasonic CCTV  PC Card DVR

       กล้องวงจรปิด Panasonic CCTV  Pan/Tile Scanner

       กล้องวงจรปิด Panasonic CCTV  Housing and Bracket

       กล้องวงจรปิด Panasonic CCTV  CCTV Lens

       กล้องวงจรปิด Panasonic CCTV  CCTV Monitor

         อุปกรณ์การติดตั้ง CCTV BNC




 
ups ac to dc cctv คุณสมบัติ

1. เป็นเครื่องจ่ายไฟ DC 12 V. ใช้สำหรับ กล้องวงจรปิด เครื่องบันทึก
2. ติดตั้งปลั๊ก 220 VAC เฉพาะจุดที่วาง DVR เท่านั้น เพื่อจ่ายไฟ
3. ไม่สิ้นเปลืองอุปกรณ์ไฟอื่นๆ เช่น ปลั๊ก, กล่องครอบ, Adaptor
4. จัดวางระบบเรียบร้อย สวยงาม ดูแลง่าย
5. มีระบบป้องกันไฟกระชาก (Surge Protection)
6. มีระบบควบคุมแรงดันไฟ (Circuit Control Voltage....Stabilizer)
7. สำรองไฟได้ 3-6 ชั่วโมง ขึ้นอยู่กับจำนวนกล้องที่ใช้
8. ซ่อมบำรุงง่ายเพราะ มีแหล่งจ่ายไฟฟ้าอยู่แค่จะเดียว

SPECIFICATION UPS FOR CCTV

MODEL UPS

DB-128

Power Rating (Watt / A)

60W/5A


Input AC
AC Voltage Range 220 Vac +/- 25%
Frequency Rang 50-60 Hz +/- 6%


System

and

Protection

Mode

Surge Protection Varistor (1,00,000 W.with in 100 Micro-Sec)
Overload and Output Overload and Short Circuit
Shot Circut Protection With Feedback Current Limiting
  and Input AC Fuse, Output DC Fuse Protection
Low Voltage Battery Protection Automatic Cut - Off


LED

Display
Online / Charging /
Output DC Regulator
Green LED
Backup (Battery - On) Red LED
Low battery Yellow LED
Battery Level (option) Green LED 4 Level


Battery
TYPE Sealed Lead Acid Matenance Free
Recharge Time 6 - 8 Hours (90% Affer Fully Discharged)
Automatic Charging System When Online AC
Technical Constan Voltage and limit Current

Backup

Backup Time
(Depends On Load)
CCTV
2 Camera
CCTV
4 Camera
CCTV
6 Camera
CCTV
8 Camera

>6.30 Hour

>5 Hour

>4 Hour

>3 Hour

Physical
Size W x L x H (Cm.) 24.3 x 29 x 8.7
Weight 6 Kg.

        UPS เป็นเครื่องสำรองไฟที่มี battery ในตัว กรณีที่ไฟดับ หรือตก ช่วยลดปัญหาไฟดับกระทันหัน ทำให้อุปกรณ์ไฟฟ้า หลายๆ อย่างเสียหายได้ง่าย โดยเฉพาะกับกล้องวงจรปิด เครื่องบันทึกกล้องวงจรปิดดังนั้น ถ้าโรงงาน สำนักงาน หรือบ้านของคุณไฟดับบ่อยๆ แนะนำให้หา UPS มาทำการติดตั้ง โดยด่วนนะครับ เพราะจะทำให ้อุปกรณ์เกิดการเสียหายได้ง่าย
คุณสมบัติของเครื่องสำรองไฟหรือ UPS

  • หลังไฟฟ้าดับ จะสามารถใช้งานต่อได้นานหรือไม่นั้น ขึ้นกับความจุของ battery ซึ่งรุ่นที่แนะนำสำหรับกล้อง 4 ตัว สำรองไฟได้นานไม่ต่ำกว่า 5 ชัวโมง

  • ใช้สำหรับการป้องกันไฟดับ และหลังจากไฟดับแล้ว ควรสังเกตุดูทันที ว่าไฟดับนานหรือป่าว หากนานเกินกว่าที่กำหนดก็ควรจะปิดเครื่องบันทึกและกล้องวงจรปิดก่อน ไม่ควรใช้จนหมดเสียทีเดียว shutdown ที่เครื่อง

  • ระหว่างไฟฟ้าดับ และมีการใช้ battery จาก UPS ?จะมีเสียงร้อบ ปี๊บ !! เป็นระยะๆ  แต่รุ่นนี้ไม่มีเสียงแต่จะเป็นไฟกระพริบ

  • ถ้า จะให้การใช้งาน UPS ให้มีอายุการใช้งานนานขึ้น เราควรทดลอง battery เดือนละครั้ง หรือสอง-สามเดือนครั้ง โดยการถอดปลั๊กไฟออก เพื่อให้ใช้งานจากตัว battery บ้าง และเปิดทิ้งไว้จนเกือบหมด battery

  • ขนาดความจุ สำหรับการใช้กับกล้องวงจรปิดหนึ่งชุด ประกอบด้วยกล้องวงจรปิด 4 ตัว พร้อมเครื่องบันทึก จะอยู่ที่ประมาณ 60W/5A ขึ้นไป

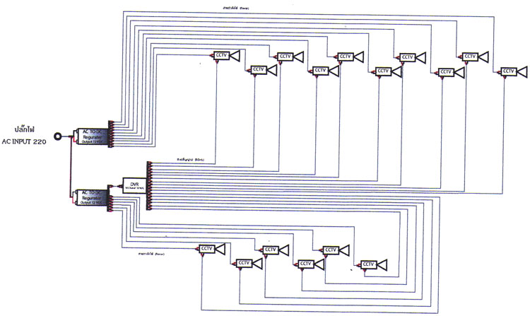
วิธีติดตั้งเครื่องสำรองไฟ UPS สำหรับกล้องวงจรปิด และเครื่องบันทึก

UPS for CCTV
UPS FOR CCTV
UPS FOR CCTV
UPS FOR CCTV
UPS FOR CCTV
UPS FOR CCTV
UPS CCTV

 

 

         โดยทั่วไปอายุของการใช้งานของเครื่องสำรองไฟ UPS จะมีอายุประมาณ 2-3 ปี ซึ่งปัญหาหลักๆ ของเครื่องสำรองไฟ UPS คือ Battery เสื่อม ไม่สามารถเก็บประจุไฟได้ ฟิวขาด ดังนั้น ปัจจุบันหลายๆ บริษัทก็มีการให้รับประกันตัว battery และมีสำรองตัวฟิว ด้วย ก่อนการเลือกซื้อ สอบถามผู้ขายให้ละเอียดก่อนน่ะครับ ด้วยความปรารถนาดี จากทีมงานกล้องวงจรปิด Media Search Co.,Ltd.

 
Home Us Panasonic Cctv About Us Panasonic Cctv Product Us Panasonic Cctv Payment Us Panasonic Cctv Contact Us Panasonic Cctv